Hydraulic Power Units - YF Pack - discontinued from 2015

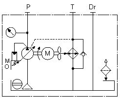
YF pack are cubic integrated construction of piston pump, electric motor and reservoir etc. 

 

  • Energy-saving & low oil temperature rise
  • Noise level 53dB & Low Vibration
  • Volume and mass reduced 

 

More information in atacched catalogue.




Hydraulic Power Units - YF Pack - discontinued from 2015 Hydraulic Power Units - YF Pack - discontinued from 2015

Files for download

Inquiry form